What Happens to Energy in the Suns Convection Zone?

THE CONVECTION ZONE

Imagine that you are the captain of a new vessel peculiarly built to explore the interior of the Sun. Nosotros call interior the part of the Dominicus which is below its surface and therefore is non direct visible to us. There you are, at the commands of your vessel, on the visible surface of the Sunday, which is too called the photosphere. You switch the motors on, signal the nose of your vessel toward the centre of the Sun and begin your trip. Immediately, you feel that the whole vessel is being shacked continuously. You are in the convection zone. The vibrations you feel are due to the fact that the fluid (we call it plasma) which is effectually your vessel is in a very turbulent state. It feels as if your vessel had dived into a gigantic pot of boiling water. The temperature at the surface was well-nigh 5,700° C simply it is increasing as you become deeper and you realize that your vessel will soon begin to cook. Your on board computers calculate that past the time yous volition reach the bottom of the convection zone, at a depth of nearly 200,000 km, the temperature will be two,000,000° C. Way too much for the vessel. Yous make up one's mind that this is definitely besides dangerous for your crew and lodge to go back to the surface.

It would be prissy to be able to run across the Lord's day in situ. Unfortunately, this is impossible. Instead, scientists are using telescopes, satellites and computers to study the interior of the Sun. In the following we explain what we have discovered in this style about the convection zone.



CONVECTION ZONE: WHERE, WHAT, HOW, WHY, ...

1. Where is the Convection Zone Located?

The interior of the Sun can be divided into three regions, depending on the kind of transport of free energy which is in action: the core, the radiative zone and the convection zone:

  • The core is the cardinal region of the Lord's day. All the solar energy is generated in the core by nuclear fusion.
  • Around the core there is the radiative zone. In this region, energy is transported by radiation (y'all have radiation around the core of a nuclear central, around a nuclear explosion,...). With respect to the surface of the Dominicus, the radiative zone extends from a depth of 515,000 km to 200,000 km.
  • Just above the radiative zone at that place is a thin layer chosen the interface layer or overshoot zone which makes the transition betwixt the radiative and convection zones.
  • The convection zone is the outer-most layer of the interior. It extends from a depth of 200,000 km up to the visible surface of the Sunday. Energy is transported by convection in this region. The surface of the convection zone is where low-cal (photons) is created. This peak layer is called the photosphere.

two. What practise nosotros run across from it

Click on the picture to see a bigger version of it
Image Credit: High Distance Observatory
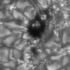
Nosotros can only meet the surface of the convection zone (why?).If nosotros signal our telescopes towards the Lord's day, what we run across is a white ball with some nighttime patches similar in this picture. For more data about this picture click here. We call the dark patches sunspots. The amount of sunspots, their shape and their position alter all the time. We will see below that the sunspots appear when bundles of magnetic field which where inside the convection zone break through the surface. To see more details of the surface we tin can zoom with the telescope.

click on some part of the image to see a movie The result looks similar this. This picture show has been taken by T. Berger using the Swedish solar telescope located on the top of an island called La Palma (1 of the Canary Islands off of northwestern Africa).

In this picture show, white regions are hot and dark regions are cold.

Several interesting features are visible:

click on some part of the image to see a movie The whole surface is covered with cells. They look very much like the cells you can meet at the surface of a pot of humid h2o. We call them convection cells considering they are due to convection, the physical mechanisms responsible for the boiling water. The bright regions correspond to hot rising material, whereas the dark lanes are the location where the colder fabric falls downward into the Sun. Click on the image on the right to see an animation of these convection cells as seen with the Dutch Open Telescope located on the Castilian island of La Palma.

click on some part of the image to see a movie In addition to the convection cells there are besides these nighttime patches which are visible on the surface. The big ones like in the picture above are called sunspots and their diameter can be every bit big equally the diameter of the earth. The pocket-size ones, similar in the side picture, are chosen pores. Both indicate locations where full-bodied magnetic fields (imagine bundles of rubber bands) are intersecting the surface of the Sunday (How do we know that there is a lot of magnetic field in the sunspots?). Sunspots and pores are very dynamical features. Some times they are no sunspots on the surface, some times in that location are a lot of them. They are the manifestation of processes which have identify in the interior where nosotros cannot await directly.

Agreement what is going on in the convection zone by looking simply at the surface is a very complicated task. Scientists have found two means of doing this:

  • Listening to the Dominicus. Apart from studying the light that comes from the Sunday, we can report the sounds produced past the Sun. Doing this we can obtain some information about the internal structures of the Sun. This is how we know, for example, that the bottom of the convection zone is located at a depth of about 200,000 km. This technique of listening to the Lord's day and interpreting its sounds is called helioseismology.
  • Simulate the Dominicus with a figurer

iii. What is the convection zone?

Information technology is made out of plasma. The convective zone, similar the rest of the Lord's day, is made up entirely of plasma. A plasma is a 'gas' that conducts electric currents, merely like a wire does. The 'gas' contained in neon light bulbs is a plasma for instance. The plasma in the convective zone is mainly made upwards of hydrogen (seventy% past mass), helium (27.7% by mass) plus small quantities of carbon, nitrogen and oxygen.

It is convecting (humid). As we accept seen above, the bottom of the convection zone is heated past the radiations coming out of the radiative zone, a fleck like a room is heated by a radiator. The temperature at the bottom of the convection zone is 200,000° C. At the same time the top of the convection zone (surface of the Dominicus) is being cooled by the creation of light. The temperature at the surface is only about 5700° C. Thus, there exist a large temperature difference between the base and the surface of the convection zone.

This deviation in the temperature results in a concrete phenomenon called convection, which you are familiar with since y'all surely have seen a pot of boiling water. Initially, when you lot put a pot of water on the cooker, both the h2o at the top and at the bottom of the pot are at the same temperature, namely the temperature in your kitchen. Then yous turn on the cooker and the bottom of the pot becomes hotter and hotter until, afterward a while, you lot see bubbles actualization at the surface. These bubbles are very similar to the cells observed at the surface of the Lord's day.

When a blob of h2o touches the bottom of the pot, it is heated very rapidly and becomes much hotter than the water at the superlative. Hot water is lighter than common cold h2o (why is that?). Then, our hulk of water is lighter than the cooler h2o at the top. Retrieve that low-cal 'stuff' always floats on top of heavy 'stuff' (equally for example the marshmallows in hot chocolate). Thus, the hulk of water rises toward the surface. At the surface of the pot, the contrary happens: the water in contact with the surface is cooled instead of being heated and therefore becomes heavier and sinks. The upshot is that individual blobs of liquid behave heat as they rise and and so give up some of it before falling and picking some more. This is how convection transports energy from the acme of the radiative zone (the heater) upwardly to the surface of the Lord's day where light is formed (the cooler).

It is turbulent. The plasma in the convection zone is very much NOT viscous (what is more viscous: water, oil or air?). An immediate upshot of this is that the motions of the plasma in the convection zone (like the motions of water in the pot) go very complicated. This is referred to as turbulence. Turbulence is nowadays everywhere in our life and is a fascinating and very actual subject of research. To learn more than about turbulence click here.

The epitome beneath gives an idea of how complicated the motions in a turbulent menses tin can be. The motion-picture show has been generated by North. Brummell with a estimator and represents the temperature (red is hot and blackness is cold) in a pocket-size slice of the convection zone. The complicated patterns give yous an idea of how turbulent the flow is.

This image illustrates how computers can be used to written report the convection zone of the Sun. More most that below.

It is rotating. A big difference between the boiling pot of water and the convection zone is that the Dominicus is rotating. This affects the motions of the blobs of plasma. Instead of ascension and sinking vertically, they go upward and down in a swirling way. This effect of the rotation on the motions is called the Coriolis force and is besides present on the globe: await at the motion of the h2o when yous empty the tub afterward taking a bath. Does it swirl always in the aforementioned management?

Another important attribute of the solar rotation is that, unlike the Earth, the Sun does not rotate similar a solid torso. Observations of its surface accept revealed that the equatorial regions rotate faster than the poles. If yous were continuing on the solar equator it would take y'all 26 days to go round the Lord's day, while if you where standing close to one of the solar poles information technology would take you well-nigh 32 days. This is chosen differential rotation.

A lot of what we know today about the manner the Sun rotates and other global motions in its interior accept been discovered cheers to the helioseismology.

Information technology generates magnetic fields. The interaction of the convective turbulent motions of the gas in the convection zone and the differential rotation leads to the generation of electric currents and solar magnetic fields. This process is called the solar dynamo mechanism. On the earth we apply dynamos to produce electricity and we call them electricity generators. Yous notice them in a car, on a bike and also in a ability station. The basic principle is always the same: out of a rotational motion electricity and magnetic field are created. Click hither to larn more well-nigh that.

The magnetic field generated in the convection zone has important properties:

It tends to agglomerate into bundles of magnetic field or magnetic flux tubes

It is buoyant. This ways that it is lighter than its surroundings. The consequence is that once it has been created it tends to ascension toward the surface.

Magnetic field have internal  tension like rubber bands It is elastic similar a prophylactic band. Thus, if you try to button sideway on information technology (red arrows), its internal tension pushes dorsum in the opposite direction (blue arrow).

Magnetic field lines are  always closed Magnetic field lines have no ends: the magnetic field always close on itself.

Magnetic field lines can  reconnect If a magnetic field line is deformed and then much that in some place it makes an X, information technology can reconnect. That is how magnetic field lines tin can carve up or merge.

Because the flows in the convection zone are turbulent, the magnetic field generated by the dynamo activeness in the Dominicus has a very complicated structure. This is an example of it, once more taken from a numerical simulation (click on the image to see an blitheness of it):

It transports magnetic fields. Once it has been created, the magnetic field is being moved and deformed by the convective flows. Eventually, a substantial amount of it is stored near the bottom of the convection zone in what is chosen the overshooting region. In this storage identify, the magnetic field is aligned with the toroidal direction, a bit like a thin donuts.

How the magnetic field ends upward stored in this manner is still a very mysterious problem. What we know is that the differential rotation plays an important role in this. Imagine you have a magnetic field line which is similar a pinnacle (information technology is oriented north to South). Because the equator of the Sun rotates faster than the poles, it winds the field line around the Sun similar information technology is illustrated in this moving picture:

In this manner two thin donuts of magnetic fields are created around the Sun: i slightly above the equator and some other one slightly below the equator. Question: apart from the effect of the differential rotation, is there any other reason to believe that the magnetic field is stored more or less in this grade? Reply = another question: do the active regions (new group of sunspots) appear in some special locations on the solar surface? Answer.

If a substantial role of the magnetic field generated past the dynamo tends to be stored virtually the bottom of the convection zone, so we have to explicate how the magnetic field escape from this storage place and rise up to the surface. The explanation found past the scientists is summarized in this reckoner generated picture:

Magnetic tube rising through the convection zone
Image Credit: Peter Calligari, Fernando Moreno-Insertis and Manfred Schuessler

The yellow hemisphere represents the bottom of the convection zone and the transparent ane represents its surface. The dark-green line is a bundle of magnetic field lines which has risen from the lesser of the convection zone (where information technology was stored) upward to the surface. The lilliputian superimposed motion-picture show with the two sunspots shows how the bundle of magnetic field lines appears to the states when it emerges at the surface. This flick was generated with computers in an endeavour to understand the mechanisms that govern the emergence of new magnetic regions on the surface of the Sun. It illustrates well how computers tin be useful to study the interior of the Sun.

WHY USING COMPUTERS TO Study THE CONVECTION ZONE

1. The challenge

We cannot look inside the convection zone. Every bit nosotros have explained above, we just meet the surface of the Lord's day. The surface is not tranquility at all. If you expect at it for a while you find motions everywhere: granulation, new sunspots appearing, oscillations, ... This surface activity is hard to empathize because nigh of it is the manifestation of something which happens inside but that we cannot come across. Thus, the challenge is to understand what happens inside the convection zone by looking only at the surface.

2. Virtual worlds

Ane way of going around this problem is to use computers. Who says computers, says virtual worlds. Indeed, a nice thing about the computers is that they are very good at representing virtual worlds. Thus, if we were able to construct a virtual Sunday in the computer, then we could study this computerized Dominicus. The reward is that considering this Sun would be in the computer we would be able to see what is going on anywhere we want in its interior. Neat, isn't information technology?

This plan seems to be very straightforward but there is a piddling trouble. How practice nosotros make certain that the Sun in the reckoner is reasonably similar to the existent one? In event, if the virtual Sun has nothing to do with the reality, and so studying this reckoner generated Sun does non tell united states a lot nigh the real one. Speaking in terms of estimator games, we desire our virtual world to be like the one you find in a flying simulator, not like the i you find in a fantasy game: in a flight simulator if you make a bad maneuver your virtual aeroplane may fall and crash; in a fantasy game, the hero may be able to practise impossible things, similar jumping higher than a 20 stores edifice. The master divergence between the two games is that the flight simulator is based on the laws of physics, whereas the fantasy game is based on the imagination of its authors. So, we have to make sure that our virtual Dominicus is based only on the laws of physics and that information technology has null to exercise with fantasy. How do we practice that?

3. Logical process

Showtime it is important to realize that to draw a given process, some physical ingredients are more important than others. For example, if you are writing a football calculator game, you need to include correctly the effect of gravity on the ball so that its trajectory looks realistic. If you want to exist more refined, you can also include the effect of the resistance of the air. The difference, though, with the motions calculated using only gravity is not so of import. In this sense, gravity is more central than the resistance of the air: if you forget well-nigh the effect of the air, your motions are approximately right, if y'all forget almost gravity, they are very different from reality.

When we construct our virtual Lord's day in the estimator nosotros practise non want to include all the physical ingredients at once. First of all, because no computers is big enough and fast enough to tackle all the complication of the Sun at in one case. Secondly, because we desire to discover which are the important physical processes which govern the dynamics in the interior of the convection zone, and which ingredients are secondary.

Imagine that nosotros have observed the surface of the Sunday and that we have noticed something intriguing that nosotros would like to sympathize. To practice this we go on by trial and mistake in an organized way:

  1. Taking into account our noesis of the universal laws of physics, nosotros make a prediction almost which physical machinery could cause what we see at the surface of the Sun.
  2. So, we use the computer to create a virtual Sun (or part of the Sun -- like the convection zone) which obeys this machinery that we merely predicted.
  3. Once nosotros have the new virtual Sun, we compare its surface with what is observed on the surface of the real Lord's day.
  4. Then in that location are two possibilities:
    • The two surfaces are similar. This indicates that the physical ingredients that we are using may not be to far from reality. Thus, we might have discovered something new about the Sunday.
    • The surfaces are different. This indicates that either the machinery we idea about has nothing to practise with the Sun, or the mechanism is right simply something else happens: we did not put the right amount of this effect in our model; maybe there are some other more of import physical ingredients in play that we did not think most; ... nosotros need to brainstorm again in 1.
We may have to go through the logical circle a lot of times in order to endeavour a new thought or adjust the parameters of a mechanism that we call up could exist a practiced explanation of something which really happens in the convection zone. Only this is not a problem because computers are perfect for this kind of repetitive task:
  • they go fast and then that in full general we tin can try a lot of different ideas;
  • they understand the same language in which the laws of physics are expressed -- mathematics;
  • the Sun that we build inside the computers is virtual and therefore tin be modified hands.

iv. I example: granulation

1 trouble for the study of which computers have been used extensively is the solar granulation. When we look at the surface with a telescope we come across something similar in the picture A in the image below.

Observation of granulation
Image Credit: Nic Brummell

Zooming in, the surface of the Sun appears like in the motion picture C. This looks very much like the surface of a convecting liquid and. So, information technology suggests that convection could be the mechanism responsible for the motions in the this part of the Sun. In order to test this idea we tin can employ the reckoner in the following fashion.

First nosotros built in the computer a convecting layer. We make a box in which we put a liquid which has properties similar to those of the solar plasma. Nosotros heat the box from below (we tell the computer that the lesser has a very loftier temperature) and we absurd information technology at the elevation (we tell the estimator that the surface temperature is much smaller than the bottom 1). Then, we give to the calculator the laws of physics that it will use. We tell the computer: given a blob of liquid, this how y'all summate its speed, this is how you summate its temperature, ... etc.

Once this is done, we tell the computer: get ahead and begin calculating how the liquid in the box is evolving. If we have fabricated no error, after a niggling while the liquid in the virtual box begins to boil, or to convect.

The next pace is to compare the surface of our virtual box with the paradigm of the surface granulation on the Sunday. What nosotros see in our reckoner is this (click on the image to see an animation of the simulation).

Simulation of granulation
Image Credit: T. Emonet & F. Cattaneo

They wait kind of similar. This is nice because it indicates that nosotros are on the correct tracks. Now we can brainstorm to inquire some details nigh convection and we tin answer them by looking at our numerical simulation. For case: what does determine the horizontal size of the cells? How does the temperature look within?, ....

LEARN More About SOME PARTICULAR TOPICS

  • Calorie-free
  • Sound waves and helioseismology
  • Plasma
  • Turbulence
  • Magnetic field
  • Dynamo
  • Maunder minimum

WHO STUDIES THE CONVECTION ZONE TODAY

simmonswithating.blogspot.com

Source: https://www.cora.nwra.com/~werne/eos/text/convection_zone.html

0 Response to "What Happens to Energy in the Suns Convection Zone?"

Post a Comment

Iklan Atas Artikel

Iklan Tengah Artikel 1

Iklan Tengah Artikel 2

Iklan Bawah Artikel